註冊/登入
聯絡我們
註冊/登入
聯絡我們
公司簡介
最新消息
產品列表
RiKO Sensor
RiKO 近接開關
RiKO 光電開關
MW 明緯電源
di-soric
產品動態篩選器
交流 / 直流
內置機殼型
軌道式
基板型
特殊用途
可編程
機箱式
模組型
LED 電源
LED 配件
適配器
KNX
充電器
直流 / 直流
導軌式
模塊封裝型
板上型
基板型
內置機殼型
直流 / 交流
模擬正弦波
正弦波
太陽能逆變器
感測器
電感式感測器
光學感測器
超聲波感測器
電容式感測器
標籤感測器
磁場感測器
專用感測器
圖像處理&識別
視覺感測器
nVision-i software
手持辨識器
安全技術
光電安全感測器
安全控制組件
光源
工業圖像處理光源
機器光源和信號燈
附件
感測器附件
圖像處理附件
識別附件
安全技術附件
光源附件
固定技術
其他附件
產品應用
下載專區
電子期刊/目錄
首頁
全部商品
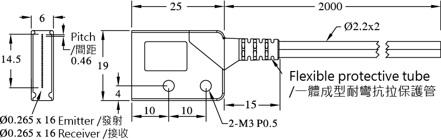
PR-20ML-20 矩陣光纖
PR-20ML-20 矩陣光纖
簡介
詳細介紹
規格
下載
立即聯繫
特點
• 類型: 矩陣
• 感應範圍 : 14.5mm
Model
反射型 矩陣光纖
光纖直徑
OD=Ø2.2,ID=Ø0.265x16
感應距離
120mm
感應範圍
14.5mm
工作溫度
-55℃~+70℃
最小彎曲半徑
R25
出光角度
60°
PR-20ML-20 (DWG)
PR-20ML-20 (PDF)
PR-20ML-20 (IGS)
相關商品
PR-100ML 矩陣光纖
PR-10ML-20 矩陣光纖
PT-20ML-20 矩陣光纖
返回列表